-
-
变量柱塞泵P08-P100
产品型号:变量柱塞泵P08-P100
变量柱塞泵P08~P100可变联,多联或与其他油泵连接。
广泛应用于车辆工业,船舶,锻压,轮胎机,注朔机,机床专用机。
- 产品介绍
- 规格参数
变量柱塞泵P08~P100型号说明
P 08 -A 1 -F -R -S -01 型号说明 理论吐出容量 控制功能方式 调压范围 安装方式 旋转方向
(从轴侧看)轴心型式 设计
号码可变容量
柱塞泵浦08,16,22,36
46,70,100A(标准型)
B、C、D、E、HL0:1-4MPa
1:2-7MPa
2:3-14MPa
3:3-21MPa
4:3-28MPaF:法兰式
L:脚座式R:顺时针方向
L:逆时针方向无标记:平键
S:SAE花键01 变量柱塞泵P08~P100规格表
型 号 几何排量
mℓ/rev无负荷流量(ℓ/min) 调压范围
MPa(kgf/cm²)最大压力
MPa(kgf/cm²)转速 rpm 重量
(kg)1000rpm 1200rpm 1500rpm 1800rpm 最大 最小 P08-A0-** 8.0 8.0 9.6 12.0 14.4 2∼4 (20∼40) 25(255) 2000 500 9 P08-A1-** 2∼7 (20∼73) P08-A2-** 3∼14 (30∼145) P08-A3-** 3∼21 (30∼215) P16-A0-** 16.5 16.5 19.8 24.7 29.7 2∼4 (20∼40) 25(255) 2000 500 12 P16-A1-** 2∼7 (20∼73) P16-A2-** 3∼14 (30∼145) P16-A3-** 3∼21 (30∼215) P22-A0-** 22.0 22.0 26.4 33.0 39.6 2∼4 (20∼40) 25(255) 2000 500 12 P22-A1-** 2∼7 (20∼73) P22-A2-** 3∼14 (30∼145) P22-A3-** 3∼21 (30∼215) P36-A0-** 36.0 36.0 43.2 54.0 64.8 2∼4 (20∼40) 25(255) 2000 500 23 P36-A1-** 2∼7 (20∼73) P36-A2-** 3∼14 (30∼145) P36-A3-** 3∼21 (30∼215) P46-A0-** 46.0 46.0 55.2 69.0 82.8 2∼4 (20∼40) 25(255) 2000 500 23 P46-A1-** 2∼7 (20∼73) P46-A2-** 3∼14 (30∼145) P46-A3-** 3∼21 (30∼215) P70-A1-** 70.0 70.0 84.0 105.0 126.0 2∼7 (20∼73) 28(286) 1800 500 41 P70-A3-** 3∼21 (30∼215) P70-A4-** 3∼28 (30∼286) P100-A1-** 100.0 100.0 120.0 150.0 180.0 2∼7 (20∼73) 28(286) 1800 500 60 P100-A3-** 3∼21 (30∼215) P100-A4-** 3∼28 (30∼286) 变量柱塞泵P08~P100控制方式
变量柱塞泵P08-P100控制方式下载
变量柱塞泵P系列压力补偿控制型尺寸图
变量柱塞泵P08-A*尺寸图下载 变量柱塞泵P16-A*/P22-A*尺寸图下载
变量柱塞泵P36/46-A*尺寸图下载 变量柱塞泵P70-A*尺寸图下载
变量柱塞泵P100-A*尺寸图下载
变量柱塞泵P系列压力引导式遥控型尺寸图
变量柱塞泵P08-B*尺寸图下载 变量柱塞泵P16/22-B*尺寸图下载
变量柱塞泵P36/46-B*尺寸图下载
变量柱塞泵P系列两压两流控制型尺寸图
变量柱塞泵P16/22-C-*尺寸图下载 变量柱塞泵P36/46-c-*尺寸图下载
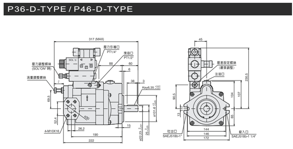
变量柱塞泵P系列电磁低压卸载型尺寸图
变量柱塞泵P16/22-D-*尺寸图下载 变量柱塞泵P36/46-D-*尺寸图下载
变量柱塞泵P系列电磁两段压力控制型尺寸图
变量柱塞泵P16/22-E-*尺寸图下载 变量柱塞泵P36/46-E-*尺寸图下载
变量柱塞泵P70-E*尺寸图下载 变量柱塞泵P100-E*尺寸图下载
变量柱塞泵P系列负荷感应控制型尺寸图
变量柱塞泵P16/22-HL-*尺寸图下载 变量柱塞泵P36/46-HL-*尺寸图下载
变量柱塞泵P70-HL*尺寸图下载 变量柱塞泵P100-HL*尺寸图下载
